連接件模型
Connector Model
Connector Model
聯系APAS / Contact us
- 地址:天津市西青經濟技術開發區賽達國際工業城A3-2.
- 郵箱:lxc@apas.com.cn
- 電話:022-87920088
- 傳真:請聯系網絡管理員
- 郵編:300385
- 咨詢熱線:13702119190(24小時服務熱線)
連接件模型
/ Connector Model

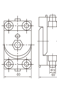
40系列鋁型材活動鉸鏈連接件三維模型
產品描述 / Name
活動鉸鏈屬于180旋轉活動連接配件,主要用于兩支鋁型材之間活動連接,屬于功能性連接配件,設計師可以下載配件solidworks三維模型進行鋁型材框架設計搭建;
022-87920099
可以根據需求進行設計加工,提供上門安裝服務;可以根據特殊需求進行鋁型材開模定制。
* 免費提供工業鋁型材選型手冊 →點擊咨詢
內容來源:http://www.mryygs.com 作者:武將 發布日期:2019年10月09日 13時45分 閱讀次數:4669 次
| 該活動鉸鏈是一款活動式鋁型材連接配件,主要應用于具有特殊連接需求的框架結構,活動旋轉范圍180度,具有多種連接方式,該規格活動鉸鏈主要適用于40系列鋁型材,如:4040、4040-2N90、4040重型等; |
| ? |
![]() ![]()
|
| ? |
| 活動鉸鏈屬于鋁型材連接件中較為常用的配件之一,可實現多種連接方式,具有多種規格,可應用于不同規格鋁型材之間的活動連接,用該配件組裝鋁型材框架可實現180度旋轉,適用于特殊的框架結構連接需求; |
| ? |
|
鋁型材槽型
|
材質
|
訂貨編號
|
|
槽8
|
碳鋼(表面鍍鋅)
|
CE-PJ40
|
聯系APAS/ Contact us
天津艾普斯工業鋁型材股份有限公司
聯系電話:022-87920088
企業傳真:(避免惡意廣告)請聯系該企業網絡管理員
服務熱線:13702119190 (24小時服務熱線)
Q Q:534973906
企業郵箱: lxc@apas.com.cn
企業地址:天津市西青經濟技術開發區賽達國際工業城A3-2
聯系電話:022-87920088
企業傳真:(避免惡意廣告)請聯系該企業網絡管理員
服務熱線:13702119190 (24小時服務熱線)
Q Q:534973906
企業郵箱: lxc@apas.com.cn
企業地址:天津市西青經濟技術開發區賽達國際工業城A3-2
采購意向留言:* 為必填















QQ咨詢
電話聯系
聯系電話

在線留言
樣冊下載
