鋁型材配件
Product accessories
Product accessories
聯系APAS / Contact us
- 地址:天津市西青經濟技術開發區賽達國際工業城A3-2.
- 郵箱:lxc@apas.com.cn
- 電話:022-87920088
- 傳真:請聯系網絡管理員
- 郵編:300385
- 咨詢熱線:13702119190(24小時服務熱線)
鋁型材支撐配件 / Support fittings
產品名稱 / Name
地腳角件
產品描述 / Describe
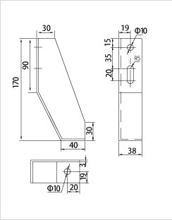
地腳角件是一種工業鋁型材框架支撐配件,主要適用于鋁型材圍欄、工作臺、設備支架等鋁型材框架產品底部支撐件與地面固定連接;地腳支撐角件分為兩種規格,分別適用于左側和右側,選型時請嚴格參照其技術參數;
022-87920088
可以根據需求進行設計加工,提供上門安裝服務;可以根據特殊需求進行鋁型材開模定制。
* 免費提供工業鋁型材選型手冊 →點擊咨詢
|
|
|
地腳角件適用于工業鋁型材組裝搭建的設備框架、安全圍欄、設備防護罩等設備框架底部固定支撐用途,角件分為左右兩種規格型號,分別適用于不同方向的固定連接;地腳角件與工業鋁型材組裝需要搭配T型螺栓及法蘭螺母進行緊固連接,另一側與地面固定,需要對地面打孔,然后利用膨脹螺栓進行固定即可; |
![]() ![]()
|
|
(鋁型材支架地腳固定支撐角件技術參數)
|
|
名稱
|
材料
|
顏色
|
訂貨編號
|
|
地腳角件
|
碳鋼(表面噴涂)
|
黑色
|
CE-DJ40
|
|
地腳角件主要用于工業鋁型材組裝搭建的設備支架固定支撐,碳鋼材質,可以根據使用需求及逆行噴涂處理,實現不同的外觀顏色,同時起到一定的耐蝕性能; |
聯系APAS/ Contact us
天津艾普斯工業鋁型材股份有限公司
聯系電話:022-87920088
企業傳真:(避免惡意廣告)請聯系該企業網絡管理員
服務熱線:13702119190 (24小時服務熱線)
Q Q:534973906
企業郵箱: lxc@apas.com.cn
企業地址:天津市西青經濟技術開發區賽達國際工業城A3-2
聯系電話:022-87920088
企業傳真:(避免惡意廣告)請聯系該企業網絡管理員
服務熱線:13702119190 (24小時服務熱線)
Q Q:534973906
企業郵箱: lxc@apas.com.cn
企業地址:天津市西青經濟技術開發區賽達國際工業城A3-2
采購意向留言:* 為必填















QQ咨詢
電話聯系
聯系電話

在線留言
樣冊下載
